Ściernice diamentowe i CBN 13V2

Ściernice diamentowe i CBN (borazonowe) typu 13V2 ze spoiwem żywicznym to profesjonalne narzędzia przeznaczone do ostrzenia oraz regeneracji narzędzi wykonanych z węglika spiekanego i stali narzędziowych. Ich konstrukcja oraz zastosowanie wysokiej jakości ziarna diamentowego lub borazonowego w połączeniu ze spoiwem żywicznym gwarantują stabilny przebieg pracy, wysoką wydajność oraz precyzyjne wykończenie krawędzi narzędzi.

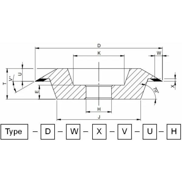
Odpowiednio dobrane parametry ściernicy zapewniają równomierne zużycie, optymalny charakter szlifowania oraz wydłużoną żywotność zarówno ściernicy, jak i obrabianych narzędzi.

Opis

Copyright © 2026 - PL – Dianormet - Wszelkie prawa zastrzeżone.
Realizacja WEBTEC Agencja Interaktywna
Zamknij
Przejdź do pełnej tabeli rozmiarowej